Zip 91431 G4 Venturi
* Suits G4 under sink
* Approximately one week shipping
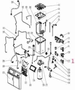
Boost your HydroTap G4 or G5 system with the Zip 91431 Venturi Kit, designed to regulate water flow precisely and keep your unit running smoothly. This kit lets you install an outlet check valve assembly quickly and with confidence.
First, remove the insulation or silicone plug on the hot tank, then insert the Venturi dip tube. Next, attach the 15 mm check valve securely and follow with the hose and 10 mm check valve assembly-each step connects cleanly and prepares your system for optimal mixing performance. Additionally, this kit fits HydroTap G4 applications perfectly and works seamlessly with the G5 series too.
Moreover, you’ll appreciate that the Venturi uses only flat sealing washers-avoid conical ones that disturb pressure balance and cause system issues.
When you buy this kit from us, you gain the same high-quality engineering you expect from Zip, but with our personalised support and speedy delivery. We make purchasing easy, and our team stays with you through installation and beyond.
(All hard wired electrical items must be installed by a licenced electrician)
















Reviews
There are no reviews yet.